
? ED-60液壓千斤頂為日本鷹牌EAGLE JACK液壓千斤頂系列產品,今野制作所生產,重工業級別起重頂升工具,載荷6噸,可橫向使用,現由煙臺開發區龍海起重工具有限公司授權代理。

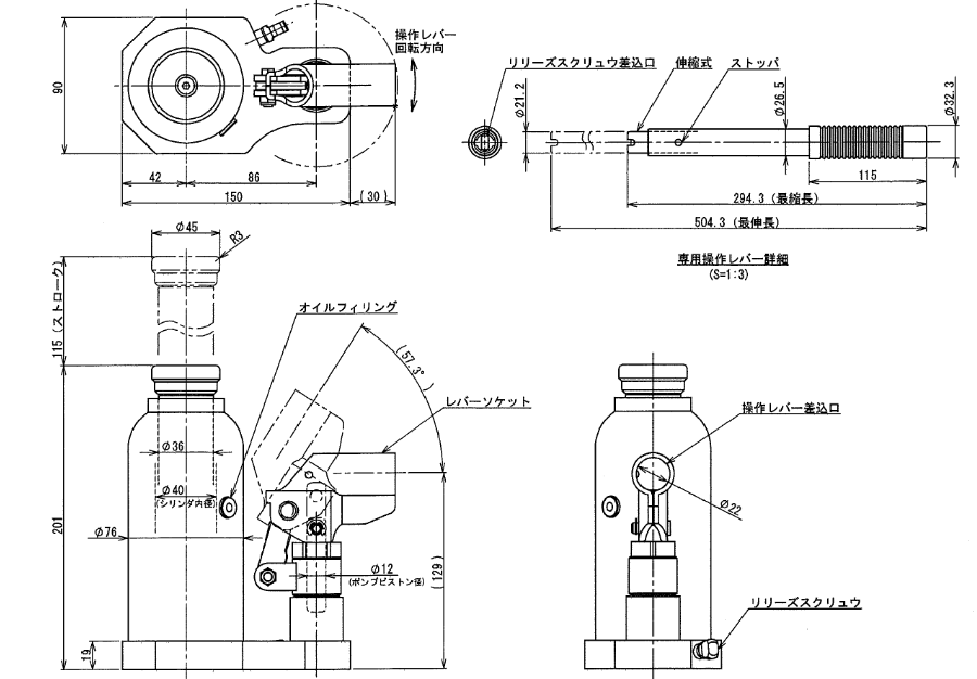
鷹牌EAGLE ED-60液壓千斤頂介紹:
* 鷹牌EAGLE ED-60液壓千斤頂液壓流量大于普通千斤頂,加快了千斤頂上升速度,減少千斤頂壓桿次數。
* 鷹牌EAGLE ED-60液壓千斤頂旋轉式壓桿插座,可從各個角度操作。
* 鷹牌EAGLE ED-60液壓千斤頂可橫向使用
* 鷹牌EAGLE ED-60液壓千斤頂可定制無塵室、潔凈車間等環境使用型號ED-60C,鍍鎳處理,防靜電類型

* 鷹牌EAGLE ED-60液壓千斤頂設計有防超載安全閥、高度限位控制,安全作業

?

鷹牌EAGLE ED-60液壓千斤頂實物:
我公司作為授權商承諾凡在我公司購買該品牌產品,若有假貨、仿貨將以產品貨值的百倍賠償!
![]() |
![]() |
| 鷹牌EAGLE ED-60液壓千斤頂實拍(一) | 鷹牌EAGLE ED-60液壓千斤頂實拍(二) |
![]()
ED-60液壓千斤頂為日本鷹牌EAGLE JACK原裝進口產品,保質1年,我公司承諾凡是客戶在我公司訂購的進口類產品均為原裝正品,絕不存在拆件貨,換件貨,假冒品牌產品,凡客戶從我公司訂購日本鷹牌EAGLE JACK產品如收到貨物時發現有拆件貨,換件貨,假冒、假貨仿貨均以100倍金額賠償。
產品選型:液壓千斤頂?
相關產品:ED-60T低型液壓千斤頂(本體高度148mm)ED-60C無塵室用液壓千斤頂
產品資料:液壓千斤頂的工作原理、液壓千斤頂基本操作、液壓千斤頂什么牌子好?、工廠機械設備提升定位液壓千斤頂、橫向使用EAGLE液壓千斤頂